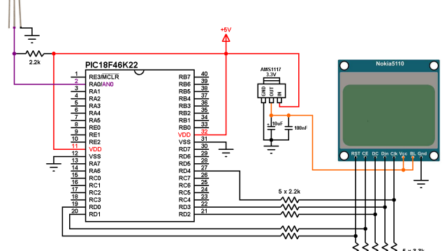
PIC18F46K22 MCU with Nokia 5110 LCD and LM335 sensor
This post shows how to build a temperature measurement station using PIC18F46K22 microcontroller and LM335 analog temperature sensor from Texas Instruments. Nokia 5110 LCD (84×48 pixel) is used to display environment temperature in degree Celsius and Kelvin. CCS C compiler […]
PIC18F46K22 MCU with Nokia 5110 LCD and LM335 sensor Read More >>









