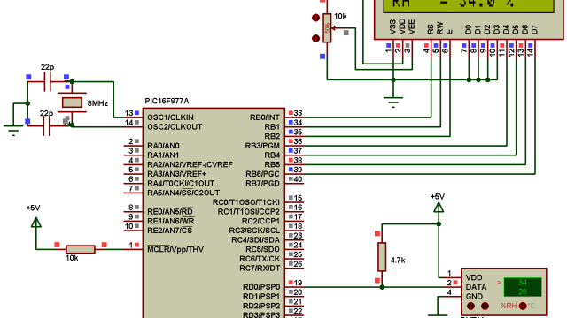
PIC16F877A and DHT22 (AM2302, RHT03) sensor Proteus simulation
Interfacing PIC microcontroller with DHT22 digital humidity and temperature sensor This topic shows how to interface DHT22 (AM2302, RHT03) digital relative humidity and temperature sensor with PIC16F877A microcontroller, and how to simulate this interfacing using Proteus. Note that for the […]
PIC16F877A and DHT22 (AM2302, RHT03) sensor Proteus simulation Read More >>









