Interfacing PIC microcontroller with GPS module | mikroC Projects
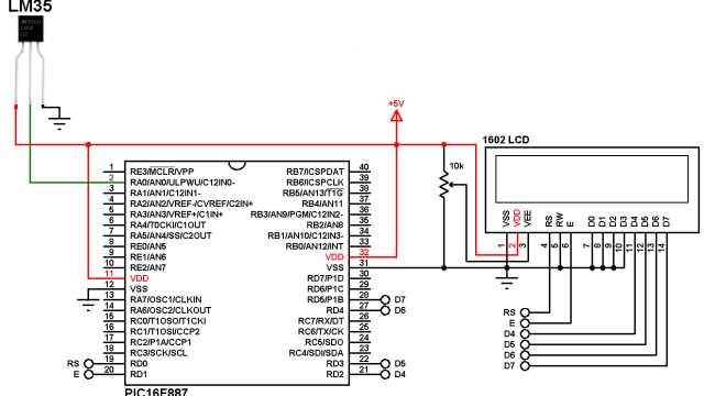
This PIC project shows how to interface PIC16F887 microcontroller with GPS module in order to receive data from satellites where the GPS module used in this project is u-blox NEO-6M (other modules also should work). With the NEO-6M GPS module […]
Interfacing PIC microcontroller with GPS module | mikroC Projects Read More >>









