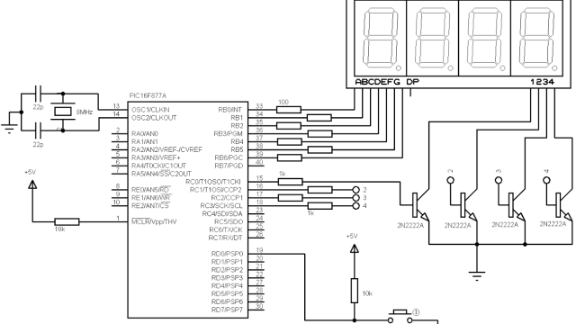
4-Digit digital counter using PIC16F877A and CCS C compiler
Interfacing PIC16F877A microcontroller with 7-segment display Using PIC16F877A and 7-segment display we can build a digital counter that counts from 0 to 9999 with a button to increment the displayed number. The same thing as on the following topic where […]
4-Digit digital counter using PIC16F877A and CCS C compiler Read More >>









